会员动态
定制GC课堂系列四丨揭秘天然气价值所在 ——岛津天然气解决方案
天然气是指自然界中天然存在的一切气体,包括大气圈、水圈、和岩石圈中各种自然过程形成的气体(包括油田气、气田气、泥火山气、煤层气和生物生成气等)。在石油地质学中,通常指油田气和气田气,其组成以烃类为主,并含有非烃气体。
作为重要的化学燃料之一,在天然气的大宗买卖交易中心,价格与其能量含量密切相关,所以天然气的组成和热值测定成为了天然气生产、配送、销售中的重要环节。

天然气的主要成分是甲烷,其他组分有不同含量的永久性气体(氧气、氮气、二氧化碳等)以及其他烃类化合物等。不同来源的天然气虽然组分基本相同,但其含量差别较大。岛津提供完善的天然气分析解决方案,为用户提供准确可靠的分析结果。

方案设计
● 满足标准GB/T 13610-2020。
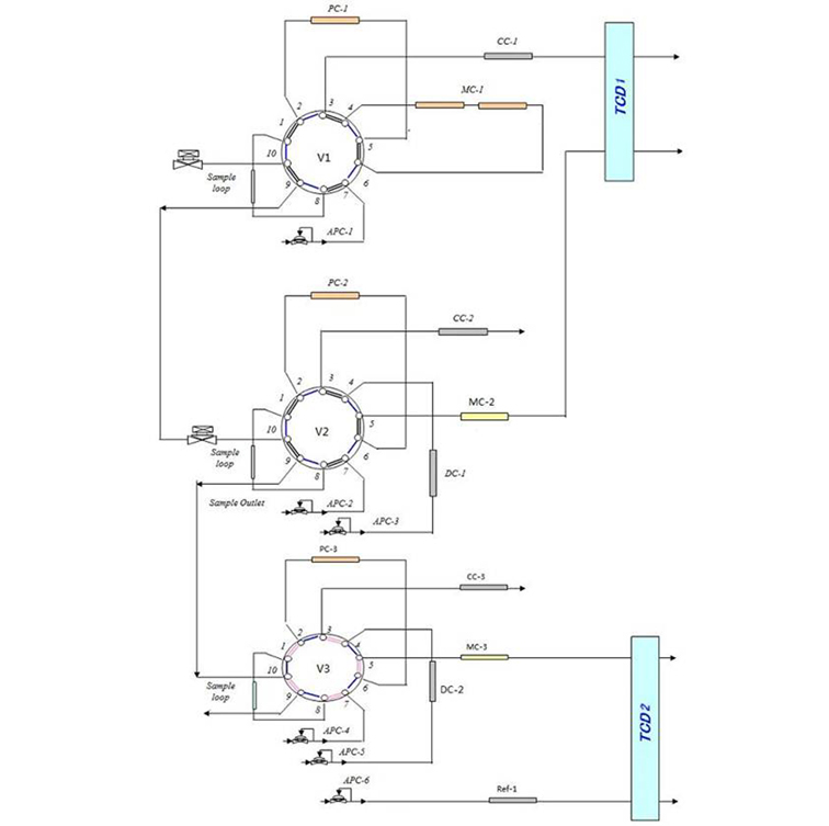
● GC主机、双TCD检测器、三阀七柱分析系统。
● Nexis GC-2030、GC-2014、GC-2014C多种机型自由选择。
优势
● 兼顾煤制天然气中一氧化碳检测需求。
● 双TCD通道,组分全量程分析。
● 可选配热值软件,轻松实现热值数据分析。
● 交钥匙解决方案,出厂设备随机带原厂方法文件、数据等相关资料。
流路图

天然气分析流路图
色谱图

TCD1通道色谱图

TCD2通道色谱图
注:岛津可根据用户需求提供定制化分析方案,具体可联系当地营业。