会员动态
碳中和系列之一丨夏天即将到来,您对温室气体了解么?
引言
温室气体指的是大气中能吸收地面反射的长波辐射,并重新发射辐射的一些气体,如水蒸气、二氧化碳、大部分制冷剂等。它们的作用是使地球表面变得更暖,类似于温室截留太阳辐射,并加热温室内空气的作用。这种温室气体使地球变得更温暖的影响称为“温室效应”。
京都议定书中规定控制的6种温室气体为:二氧化碳(CO?)、甲烷(CH?)、氧化亚氮(N?O)、氢氟碳化合物(HFCs) 、全氟碳化合物(PFCs)、六氟化硫(SF6)。

温室气体气相色谱解决方案
全新“睡眠模式”,节能减排

岛津专为旗舰级气相色谱仪Nexis GC-2030开发了“睡眠模式”来降低功耗,实现为了人类和地球的健康这一愿景,在不使用GC时,可通过切换至睡眠模式降低功耗(与传统机型相比可降低60%),按下唤醒按钮可立即恢复到待机状态,并开始设置。
同等的消耗,得到高效的成果

方案设计
● 一条流路可完成CO2、CH4、N2O组分测量,同时可增加流路,扩展定制的分析仪配置可满足不同的监测要求。例如扩展第二条流路分析O2、N2/详细烃类/硫化物分析等。
● 通过分析方案设计及应用可确保以最佳性能分析 ppm 级的温室气体。
● 配备用于温室气体分析的色谱柱、消耗品、校准/校验样品和分析方法。
优势
● 10分钟内可完成CH4、CO2、N2O温室气体组分分析。
● 十通阀放空H2O及其他重组分,增强系统稳定性和色谱柱寿命。
● 永久性气体组分通过甲烷转化炉由FID检测,O2不进入ECD,保护镍源。
● ECD检测器确保对痕量 N2O 的检测,也可扩展对SF6的检测。
● 用户必须配备氩甲烷尾吹气(Ar 95%,CH4 5%)。
工厂生产组装
● 岛津为交钥匙方式,在工厂完成整个系统的组装、调试、方法确认。出厂设备随机带原厂方法文件、数据等相关资料。
工程师现场安装
● 工程师现场复原工厂调试时仪器调试条件及数据。
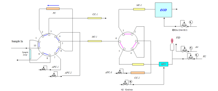
流路图

系统一条流路,十通阀进样,样品通过预柱预分离,十通阀反吹水及其它重组分。其余组分通过MC-1柱子,永久性气体组分通过甲烷转化炉由FID检测,N2O、SF6进入ECD检测。
色谱图

FID通道:CH4,CO2

ECD通道:N2O, SF6