会员动态
复杂样品自动化分析中的在线前处理技术② | 超临界流体色谱(SFC)技术

岛津中国创新中心在Nexera UC基础上,将超临界流体色谱(SFC)应用到二维柱切换系统的第一维,开发了脂溶性成分自动前处理分析系统,实现了油脂样品的在线净化和自动化分析(图2)。

图2 脂溶性成分自动前处理分析系统构成图
超临界流体是温度和压力超过临界点的一种流体状态。处于超临界状态的流体兼具气体的高扩散性和液体良好的溶解能力。特别是超临界二氧化碳流体,由于其临界温度和压力相对容易控制(31°C,74bar),并且和有机溶剂相比更加环保,因此被广泛使用(图3)。

图3 纯物质相图
由于超临界二氧化碳流体的极性和正己烷相近,因此经常被用来替代正己烷进行正相提取,或者作为流动相替代正相色谱进行分离。同时由于超临界二氧化碳流体和油类样品的相溶性好,可以实现该类样品的直接进样,因此被广泛应用在石油化工行业进行柴油中芳烃1和汽油中烯烃的检测2。
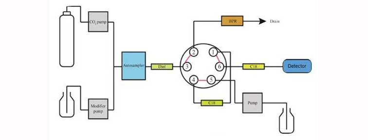
本创新中心利用超临界二氧化碳流体色谱可以直接分析油类样品,并且和反相液相系统兼容性好的这一特点,搭建了一套全新的二维色谱系统(图4)。油类样品进行简单稀释后,就可以注入第一维的SFC,在线去除油脂后,再切换到第二维的反相色谱中进行分离和检测。

图4 SFC-LC二维色谱系统流路图
使用该系统,已经成功实现了维生素D滴剂定量分析3和植物油中苯并芘的快速检测。将原来数小时甚至数天的前处理过程简化为仅用1分钟,显著提高分析效率和自动化程度(图5)。并且由于前处理步骤大大减少,分析结果的准确度也得到明显提高。

图5 油脂样品分析传统前处理法和超临界流体在线法对比
应用该方法对超市中常见的23种食用植物油进行了苯并芘的检测,在不到30min就完成了所有样品的调制上样。并以未检测到苯并芘的橄榄油为空白基质,对回收率进行了考察。对不同浓度加标样品,使用该方法,均得到了良好的回收率结果。

图6 超市采购23种食用植物油中苯并芘检测结果
(纵坐标单位μg/kg)
参考文献
1.ASTM D5186-19Standard Test Method for Determination of Aromatic Content and PolynuclearAromatic Content of Diesel Fuels by Supercritical Fluid Chromatography
2.ASTM D6550-15Standard Test Method for Determination of Olefin Content of Gasolines bySupercritical-Fluid Chromatography
3.Determination ofVitamin D in Oily Drops Using a Column-Switching System with an On-lineClean-up by Supercritical Fluid Chromatography. Talanta 190 (2018) 9-14.