会员动态
LC-ICP-MS联用方法包:砷、汞形态分析
分析仪器的出现帮助科研学者可以从更微观、更微量的角度研究事物,揭示机理,并且在我们“吃、穿、用、住、行”相关的各行各业都有重要的应用。但是想要把这些分析利器运用的“如火纯青”,没几年的“勤学苦练“是不行的。特别是作为无机分析高端技术的代表,LC-ICP-MS联用技术需要使用者具有较好的专业知识储备和丰富的使用经验。
为了帮助分析人员更轻松的使用LC-ICP-MS联用技术,岛津推出形态分析方法包,从液相色谱条件选择到质谱分析检测,提供详细的全流程方法和参数,降低使用者形态方法开发难度和使用门槛。方法包导入后无需再做额外的设置,即可直接用于电感耦合等离子体质谱仪(ICP-MS)与液相色谱仪(LC)构建的LC-ICP-MS联用系统,并支持LabSolutions DB/CS信息化软件管理。
背景
砷、汞是两种毒性很强的重金属元素,一直以来都受到人们的广泛关注,也是食品安全、环境监测、医药卫生等领域的重要监测指标。砷、汞元素总量一旦超过安全限值,会对人体造成严重的损害,但是在实际研究工作中发现,不同形态的砷、汞化合物,毒性差别比较大,因此我们不仅关心砷汞的总含量,还需区别其不同的形态,以免造成误判。
此次推出的砷形态分析方法包和汞形态分析方法包,都包含了可直接调用的方法参数文件和详细的电子版操作说明,帮助分析人员轻松上手。砷形态分析方法包可进行三价砷(As3+)、五价砷(As5+)、一甲基砷(MMA)、二甲基砷(DMA)、砷甜菜碱(AsB)和砷胆碱(AsC)的形态分析。汞形态分析方法包可进行二价汞(Hg2+)、甲基汞(MeHg)和乙基汞(EtHg)的形态分析。
应用
砷形态分析方法包
基于LC-ICP-MS仪器,提供梯度洗脱色谱条件和LabSolutions ICPMS TRM软件参数,可实现六种砷形态的高效分离检测。
图1 砷形态分析色谱图(1.AsC 2.AsB 3.As3+ 4.DMA 5.MMA 6.As5+)
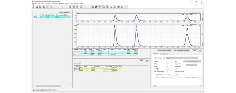
汞形态分析方法包
基于LC-ICP-MS仪器,提供等度洗脱色谱条件和LabSolutions ICPMS TRM软件参数,可实现三种汞形态的高效分离检测。
图2 汞形态分析色谱图(1.Hg2+ 2.MeHg 3.EtHg)
形态分析方法包特点
1. 详细的操作说明和可直接调用的方法参数文件
2. 高效提升形态分析全流程效率,无需方法开发,快速开启实验
3. 支持数据完整性要求,可实现审计追踪、电子记录和电子签名等功能
推荐配置
本文内容非商业广告,仅供专业人士参考。





