会员动态
定制GC课堂系列三丨水煤气、半水煤气、焦炉煤气傻傻分不清楚——岛津煤气分析方案
我国总体能源格局是“富煤、贫油、少气”,煤炭在我国有着丰富的储备。煤炭从单一燃料向煤化工原料转变已成为高效利用主流方式之一。在煤化工中煤气化工艺占有重要地位,所生产的煤气可作为气体燃料、合成液体燃料、化工品等多种产品的原料。

根据不同加工方法,煤气主要有水煤气、半水煤气、空气煤气、焦炉煤气,它们有什么区别呢?岛津煤气专用分析系统探究不同类型煤气本质区别:组分、浓度。

方案设计
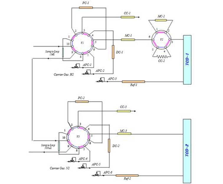
● GC主机、双TCD检测器、三阀五柱分析系统。
● 满足水煤气、半水煤气、空气煤气、焦炉煤气检测分析。
● Nexis GC-2030、GC-2014、GC-2014C多种机型自由选择。
优势
● 13分钟内可完成H2、O2、N2、CH4、CO、CO2、C2H4、C2H6和C2H2煤气主要组分分析,可兼顾常量H2S分析。
● 双TCD通道,组分全量程分析。
● 可选配热值分析软件。
● 交钥匙解决方案,出厂设备随机带原厂方法文件、数据等相关资料。
流路图

煤气分析流路图
色谱图

TCD1通道色谱图

TCD2通道色谱图
注:岛津可根据用户需求提供定制化分析方案,具体可联系当地营业。