会员动态
色谱检测方法新标准来啦(十)——三种化妆品中限用防腐剂的测定



检测方法
气质联用法
仪器配置:气相色谱-质谱联用仪(EI源)
色谱柱:5%苯基-95%甲基聚硅氧烷石英毛细管色谱柱(30m*250μm*0.25μm)

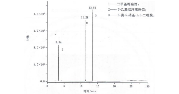
3种防腐剂的气相色谱质谱总离子流图
液相色谱法
仪器配置:二元梯度洗脱LC+PAD检测器 (柱前衍生)
色谱柱:C18,1.8μm,50mm*2.1mm内径 或C18,5.0μm,150mm*4.6mm内径

二甲基噁唑烷标准物质衍生物的色谱图
岛津推荐仪器
气质联用仪:
GCMS-QP2020 NX

GCMS-QP2020 NX是兼顾高抗污染性能的高灵敏度单四极杆型气相色谱质谱联用仪,配备大容量超高效真空系统,集成高辉度离子源和屏蔽板技术,成为复杂样品痕量物质分析的有力利器。搭载岛津旗舰级Nexis GC-2030,创新ClickTek技术使初学者拥有大师级维护水准。
高性能、抗污染、易维护的GCMS-QP2020 NX,满足化妆品中限用防腐剂的测定。

扫码了解更多信息
液相色谱仪:
Nexera LC-40

Nexera LC-40是功能强、性能佳的旗舰型液相色谱系统,具有全系列产品组合,满足所有耐压需求。将人工智能和物联网紧密结合,助力优化数据质量及提升整体分析工作效率,在智能化、便捷化和自动化领域已成为行业标准的新风向标。
◆ INTELLIGENCE 智能·主控
◆ EFFICIENCY 倍速·高通
◆ DESIGN 精巧·便捷

扫码了解更多信息