行业资讯
LC故障排除之进样不出峰
导言
大家好,在LC日常使用中,经常会遇到进样不出峰的情况。这时候不要急,让我们从以下三方面来寻找不出峰的原因:
样品原因
1、检查样品量是否充足。一般而言,样品量要位于样品瓶(1.5ml标准样品瓶)0.5ml刻度以上才能保证正常吸取样品。
2、样品是否存在分解的情况。如有存在容易分解的样品,则应及时进行样品分析。
3、检查样品瓶位置是否放置于正确位置并编辑对应的进样序列。
4、检查样品是否是需要检测的物质。
5、样品垫及样品瓶质量问题。如使用劣质样品瓶则可能导致样品吸附或分解。
6、避免样品瓶盖过紧瓶内负压导致进样针无法正常抽取样品。
图1:样品最小进样体积
图2:编辑正确的进样序列
方法原因
1、检查方法文件调用是否正确。
2、检查流动相配置是否正确。不同流动相对样品的洗脱能力不一样,如流动相配置错误也会导致样品不出峰。
3、色谱柱选择是否合适,柱效是否正常。
图3:选取合适的色谱柱
仪器原因
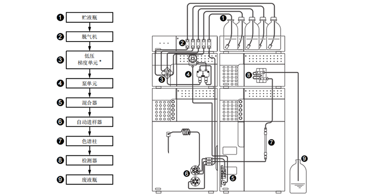
1、检查压力是否正常。如压力偏低,则可能存在漏液的地方;如压力偏高,则可能存在堵塞的地方,检查堵塞的方法应顺着流路走向从后往前排查(如图4所示);如压力波动大,则可能管路中有污染的地方,应冲洗管路后再进样。
2、检查自动进样器排气是否充分。如排气不充分则管路中存在气泡从而导致无法吸取样品。检查进样针是否堵塞,堵塞的进样针会导致无法吸取样品,检查针密封垫是否老化而导致不够密封、高压阀转子是否磨损。
3、检查灯能量是否正常。以岛津紫外检测器为例,220nm波长通纯水情况下参比池能量高于400mv,如灯能量过低则需要更换灯。如更换灯后能量依然很低,则需要更换光路系统。
4、检查流通池是否有堵塞或泄露。如有堵塞则需要冲洗;如有泄露则需要更换相应的密封垫片。
图4:常见岛津液相色谱仪流路图
图5:转子磨损
图6:氘灯及透镜老化
图7:参比池能量低
以上是进样不出峰的初步排查。如依旧无法解决,您需拨打岛津客服热线(4006500439)或岛津售后服务小程序进行咨询。
 
                    
 
                






 
                     
                            